首頁
關於SATA
新聞資訊
產品中心
企業品牌
產品選型
技術支持
聯繫我們
Language
ˇ
中文
English
日本語
한국어 (韓國語)
ภาษาไทย
Tiếng Việt
España
Deutsch
русский язык
24小時售後服務電話
4009-610-768
Language
ˇ
中文
English
日本語
한국어 (韓國語)
ภาษาไทย
Tiếng Việt
España
Deutsch
русский язык
首頁
關於SATA
新聞資訊
產品中心
企業品牌
產品選型
技術支持
聯繫我們
當前位置:
首頁
>
產品展示
>
精密分割器
精密分割器
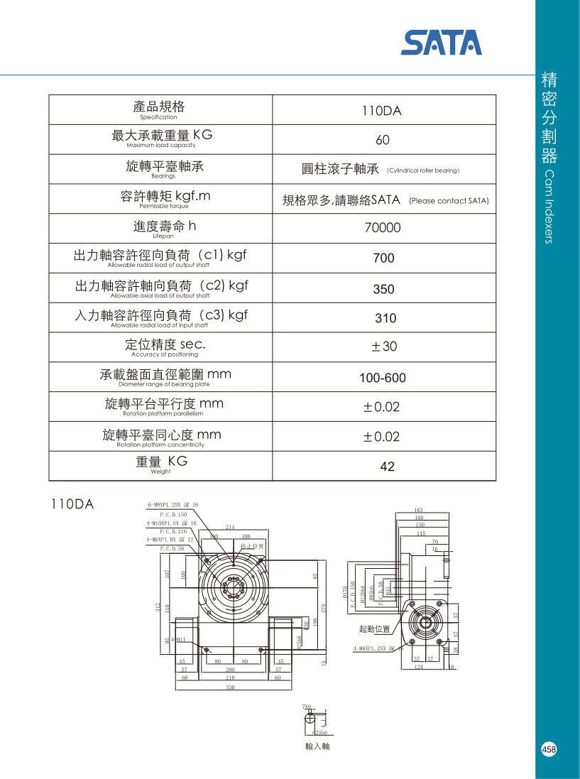
110DA
1、分度精度高、高速性能好、運轉平穩、傳遞扭矩大、定位時自鎖
2、結構緊湊、體積小、噪聲低、壽命長
3、可搭配伺服電機或步進電機
如需2D&3D圖面請至
"產品選型"
處下載
service@satable.com.tw
尊享熱線:4009-610-768
首頁
關於SATA
|
新聞資訊
|
產品中心
|
企業品牌
|
產品選型
|
技術支持
|
聯繫我們
Copyright © 2015-2020版權所有:仕達通自動化有限公司 技術支持:
圖盛科技
在线咨询
業務客服
技術客服
售後客服
×