首頁
關於SATA
新聞資訊
產品中心
企業品牌
產品選型
技術支持
聯繫我們
Language
ˇ
中文
English
日本語
한국어 (韓國語)
ภาษาไทย
Tiếng Việt
España
Deutsch
русский язык
24小時售後服務電話
4009-610-768
Language
ˇ
中文
English
日本語
한국어 (韓國語)
ภาษาไทย
Tiếng Việt
España
Deutsch
русский язык
首頁
關於SATA
新聞資訊
產品中心
企業品牌
產品選型
技術支持
聯繫我們
當前位置:
首頁
>
產品展示
>
中空旋轉平台
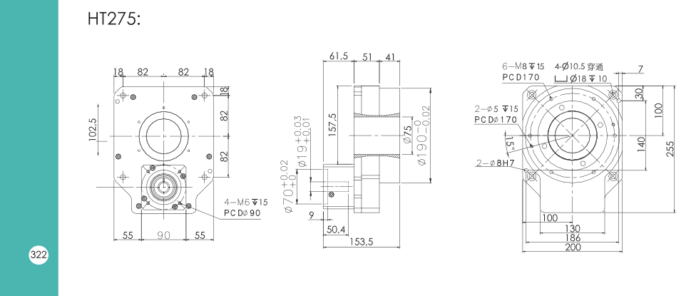
中空旋轉平台
HT-275
1、慣性負載下運轉平穩,定位精準
2、內附減速比,易安裝,省空間
3、中空設計,可提供配管需求
如需2D&3D圖面請至
"產品選型"
處下載
service@satable.com.tw
尊享熱線:4009-610-768
首頁
關於SATA
|
新聞資訊
|
產品中心
|
企業品牌
|
產品選型
|
技術支持
|
聯繫我們
Copyright © 2015-2020版權所有:仕達通自動化有限公司 技術支持:
圖盛科技
在线咨询
業務客服
技術客服
售後客服
×